结构特性:
888腾博会LDM-F防堵料开关来用侧压活动门结构.故障排除后压簧的推力使活动门自动复位重载微型开关触点.灵敏度高.作用力只需0.9kg即可触发开关机内选用进口行程开关.动作灵敏.可靠性高.溜槽堵塞保护装置采用门式结构弹簧复位.当物料在溜槽中造成堵塞时.堆积的物料给溜槽侧壁一个压力从而将本装置的活动门向外推移当活动门偏转一个角度时.其控制开关动作发出警告.振打或停机信号.当堵塞故障排除后.活动门在弹簧的作用下目动复位恢复原状态.也可递过地址编码器发送状态数据至远程控制室.
工作原理:
888腾博会888腾博会LDM-F防堵料开关安装在溜槽侧壁上.当溜槽内发生堵塞时.堆积的物料必须挤压活动门.井便之偏移而启动行程开关.发出告警或停机信号.排除故障后.活动门在压簧作用下自动复位.
LDM-F防堵料开关技术指标:
动作角度5°.极阻角度10°
接点容量:10A/250V或480V(AC)
壳体防尘.防腐.防雨.
防护等级:IP67
开关个数:1个常开或1个常闭
(可根据用户需要增加开关个数)
开关可根据用户需要接成常开或常闭形式
环境温度:-20--60℃

安装与接线
(一)安装方法:
888腾博会防爆LDM-F堵煤检测开关
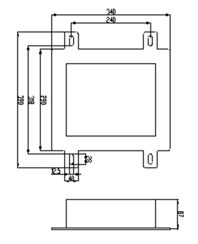
1、在溜槽侧壁一适当位置开240×260长方口,然后在开口上方约100~200mm处,溜槽内壁焊接一块长300mm左右的挡板,以防大块物料落下直接冲击活动门发生误动作。再用随机所配橡胶板将开口完全覆盖、封闭。
1、将本装置用M10×25螺栓紧固在弯角件上即可。
(二)安装要领及主要事项
1、本系列保护装置可两个为一组,安装于溜槽相对的并且不受物料冲击的两个侧壁上,高度根据用户需要而定。一般安装在溜槽底部向上三分之二高度为宜。
2、本系列产品装置也可用四个分两组使用,一组安装在溜槽侧壁从底算起三分之一相对高度,作为轻度堵塞检测。用于接振打装置信号,当溜槽发生堵塞时,振打装置接收到信号后,便开始振打;另一组安装底部三分之二处,作为重度堵塞时输出停机信号。


在线留言