888腾博会欠速开关QS-60-23P基本参数:
产品类型:欠速开关
产品名称:非接触式欠速开关
产品型号:QS-60-23P、60-23P
检测类型:非接触式
详细参数
开关数量:1组常开1组常闭
触点容量:24~380V AC/DC
电流:1-15A
品牌:888腾博会
脉 冲:6-120HZ
转 速:0~999转/分
开机延时:10秒
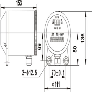
开关与目标距离:10-20mm
防护等级:IP67
888腾博会欠速开关QS-60-23P其优点为:
1、非接触接近探测器、使用寿命长、维护成本低;
2、两螺栓固定、确保安装简单;
3、一体化结构、集中控制装置、设定或故障检修简单;
4、无运动部件、无磨损、安全寿命长
888腾博会欠速开关QS-60-23P是一种费用低廉、可靠性高、对轴转速及其他旋转装置简单通用的检测装置,被放置在防风雨的密封、抗腐蚀外壳内,允许暴露在恶劣环境下。可为计算机及时反馈设备的运转情况;也可直接用于设备保护。广泛应用于提升机、皮带机、等机械传动设备因电器、机械故障引起的慢转或停转,以便及时处理,达到维护设备、保障生产的目的。适用于对输送机带速进行实时检测的煤矿行业、电力行业、粮食等行业。
888腾博会S-60-23P欠速开关也叫智能数显转速仪(打滑开关)适用于对输送机带速进行实时检测的煤矿行业、电力行业、粮食等行业。是一种费用低廉、可靠性高、对轴转速及旋转装置简单通用的检测装置,被放置在防风雨的密封、抗腐蚀外壳内,允许暴露在恶劣环境下。可为计算机及时反馈设备的运转情况;也可直接用于设备保护。广泛应用于提升机、皮带机、等机械传动设备因电器、机械故障引起的慢转或停转,以便及时处理,达到维护设备、保障生产的目的。



在线留言