收藏本站 上海888腾博会传感器科技有限公司

SN08-1B5NA_888腾博会

SN08-1B5NA_888腾博会

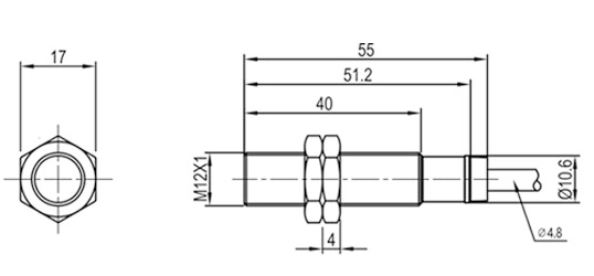
型号:SN08-1B5NA

品牌:888腾博会

联系电话:021-51860181

E-mail:KT@KTGEE.NET.CN

产品介绍

产品咨询

SN08-1B5NA888腾博会接近开关是一种具有开关量输出的位置传感器。它即有行程开关,微动开关的特性、同时又具有传感性能。可与微机联网、达到自动控制目的,也可直接驱动继电器、计数器及接触器。并且工作频率高、使用寿命长、抗干扰性能好,复位精度高 (0.02cm )、输出形式多、防水、防震、耐腐蚀、具有十多个系列、一千多种型号等特点。

电源电压 
(使用电压范围)

DC12~24V 纹波(p-p) 10%以下(DC10~30V)

消耗电流

17mA以下

漏电流

100uA

负载电流

100mA以下

残留电压

2V以下(负载电流100mA、导线长2m时)

指示灯

动作显示黄色LED

保护回路

逆接保护、负载短路保护

连接方式

导线引出型(标准导线长2m)

环境温度范围

工作时、保存时:各-25~+70℃ (无结冰、结露)

环境湿度范围

工作时、保存时:各35~95%RH

温度的影响

-25~+70℃的温度范围内+23℃时,检测距离为±10%以内

电压的影响

额定电源电压时,检测距离的±3%以下

绝缘电阻

50MΩ以上(DC500V兆欧表)充电部整体与外壳间

耐电压

AC1,000V 50/60Hz 1min充电部整体与外壳间

振动(耐久)

10~55Hz 上下振幅1.5mm X、Y、Z各方向 2h

冲击(耐久)

1,000m/s2 X、Y、Z各方向 10次


image.png

image.png

在各类开关中,有一种对接近它物件有“感知”能力的元件——位移传感器。利用位移传感器对接近物体的敏感特性达到控制开关通或断的目的,这就是接近开关。

当有物体移向接近开关,并接近到一定距离时,位移传感器才有“感知”,开关才会动作。通常把这个距离叫“检出距离”。但不同的接近开关检出距离也不同。


相关产品

在线留言

*

*

◎在线咨询,请添加QQ:1550686613。

021-51860181
扫描二维码关注我们

扫描二维码 关注我们

888腾博会



  • 网站地图