888腾博会接近开关J4-D5L1VV属于一种具有开关量输出的位置传感器,该系列产品为电容接近传感器,也可检测水、塑料等非金属物体,它的测量头通常构成电容器的一个极板,而另一个极板是物体的本身,当物体移向接近开关时,物体和接近开关的介电常数ε发生变化,使得和测量头相连的电路状态也随之发生变化,由此便可控制开关的接通和关断。
888腾博会接近开关按其外型形状可分为园柱型、方型、沟型、穿孔(贯通)型和分离型。园柱型比方型安装方便,但其检测特性相同,沟型的检测部位是在槽内侧,用于检测通过槽内的物体,贯通型在我国很少生产,而日本则应用较为普遍,可用于小螺钉或滚珠之类的小零件和浮标组装成水位检测装置等。
888腾博会接近开关按供电方式可分为;直流型和交流型,按输出型式又可分为直流两线制、直流三线制、直流四线制、交流两线制和交流三线制。
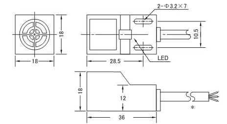
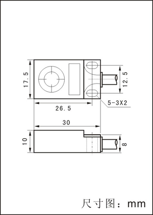
888腾博会接近开关的基本参数:
电源电压:直流10-30VDC、交流90-250VAC
检测距离:mm
产品直径:mm
输出电流:直流200mA 交流300-400
接线方式:2米电缆、M12连接器
输出模式:NPN常开、NPN常闭、PNP常开、PNP常闭、二线(三线)常开、二线(三线)常闭、交流常开、交流常闭。直流常开,直流常闭。
J4-D5B1-Q接近开关工作原理分类:
888腾博会接近开关J4-D5L1VV工作原理
电感式接近开关属于一种有开关量输出的位置传感器,它由LC高频振荡器和放大处理电路组成,利用金属物体在接近这个能产生电磁场的振荡感应头时,使物体内部产生涡流。这个涡流反作用于接近开关,使接近开关振荡能力衰减,内部电路的参数发生变化,由此识别出有无金属物体接近,进而控制开关的通或断。这种接近开关所能检测的物体必须是金属物体。



在线留言