增量型
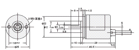
外径:φ25
分辨率(最大):500P/R
电源电压 | 输出形式 | 输出相 | 分辨率(脉冲/旋转) | 型号 | |||
DC5~12V | 电压输出 | A相、B相、Z相 | 100 | 200 | 360 | E6A2-CWZ3E (分辨率) 0.5M | |
500 | |||||||
集电极开路输出 | 100 | 200 | 360 | E6A2-CWZ3C (分辨率) 0.5M | |||
500 | |||||||
DC12~24V | 100 | 200 | 360 | E6A2-CWZ5C (分辨率) 0.5M | |||
500 | |||||||
DC5~12V | 电压输出 | A相、B相 | 100 | 200 | 360 | E6A2-CW3E (分辨率) 0.5M | |
500 | |||||||
集电极开路输出 | 100 | 200 | 360 | E6A2-CW3C (分辨率) 0.5M | |||
500 | |||||||
DC12~24V | 100 | 200 | 360 | E6A2-CW5C (分辨率) 0.5M | |||
500 | |||||||
DC5~12V | 电压输出 | A相 | 10 | (20)* | 60 | 100 | E6A2-CS3E (分辨率) 0.5M |
200 | 300 | 360 | |||||
500 | |||||||
集电极开路输出 | 10 | 20 | 60 | 100 | E6A2-CS3C (分辨率) 0.5M | ||
200 | 300 | 360 | |||||
500 | |||||||
DC12~24V | 10 | 20 | 60 | 100 | E6A2-CS5C (分辨率) 0.5M | ||
200 | 300 | 360 | |||||
500 | |||||||
项目 型号 | E6A2-CWZ3E | E6A2-CWZ3C | E6A2-CWZ5C | E6A2-CW3E | E6A2-CW3C | |
电源电压 | DC5V-5%~12V+10% | DC12V- | DC5V-5%~12V+10% | |||
消耗电流 *1 | 50mA以下 | 30mA以下 | 30mA以下 | 20mA以下 | ||
分辨率 | 100、200、360、500 | |||||
输出相 | A相、B相、Z相 | A相、B相 | ||||
输出形式 | 电压输出 | NPN集电极开路输出 | 电压输出 | NPN集电极开路输出 | ||
输出容量 | 输出电阻: | 施加电压:DC30V以下 | 输出电阻: | 施加电压:DC30V以下 | ||
最高响应频率 *2 | 30kHz | |||||
输出相位差 | A相、B相的相位差 90°±45° | |||||
输出效率比 | ─ | |||||
输出开始、 | 1.0μs以下 | 1.0μs以下 (导线长度 | 1.0μs以下 | 1.0μs以下 (导线长度 | ||
起动转矩 | 1mN·m以下 | |||||
惯性力矩 | 1× 10-7kg·m2以下 | |||||
最大轴 | 径向 | 10N | ||||
轴向 | 5N | |||||
允许最高转速 | 5,000r/min | |||||
环境温度范围 | 工作时:-10~+55℃、保存时:-25~+80℃ (无结冰) | |||||
环境湿度范围 | 工作时、保存时:各35~85%RH (无结露) | |||||
绝缘电阻 | 20MΩ以上(DC500V兆欧表)导线端整体与外壳间 | |||||
耐电压 | AC500V 50/60Hz 1min 导线端整体与外壳间 | |||||
振动(耐久) | 10~55Hz 上下振幅1.5mm X、Y、Z各方向 2h | |||||
冲击(耐久) | 500m/s2 X、Y、Z各方向 3次 | |||||
保护结构 *3 | IEC标准 IP50 | |||||
连接方式 | 导线引出型(标准导线长500mm) | |||||
材质 | 外壳 | 铝合金 | ||||
本体金属部 | 铝 | |||||
轴 | SUS420J2 | |||||
安装支架 | 铁 镀锌 | |||||
项目 型号 | E6A2-CW5C | E6A2-CS3E | E6A2-CS3C | E6A2-CS5C | |
电源电压 | DC12V- | DC5V-5%~12V+10% | DC12V- | ||
消耗电流 *1 | 20mA以下 | 30mA以下 | 20mA以下 | ||
分辨率 | 100、200、360、500 | 10、20、60、100、200、300、360、500 | |||
输出相 | A相、B相 | A相 | |||
输出形式 | NPN集电极开路输出 | 电压输出 | NPN集电极开路输出 | ||
输出容量 | 施加电压:DC30V以下 | 输出电阻: | 施加电压:DC30V以下 | ||
最高响应频率 *2 | 30kHz | ||||
输出相位差 | A相、B相的相位差 90°±45° | ─ | |||
输出效率比 | ─ | 50±25% | |||
输出开始、 | 1.0μs以下 (导线长度 | 1.0μs以下 | 1.0μs以下 (导线长度 | ||
起动转矩 | 1mN・m以下 | ||||
惯性力矩 | 1× 10-7kg·m2以下 | ||||
最大轴 | 径向 | 10N | |||
轴向 | 5N | ||||
允许最高转速 | 5,000r/min | ||||
环境温度范围 | 工作时:-10~+55℃、保存时:-25~+80℃ (无结冰) | ||||
环境湿度范围 | 工作时、保存时:各35~85%RH (无结露) | ||||
绝缘电阻 | 20MΩ以上(DC500V兆欧表)导线端整体与外壳间 | ||||
耐电压 | AC500V 50/60Hz 1min 导线端整体与外壳间 | ||||
振动(耐久) | 10~55Hz 上下振幅1.5mm X、Y、Z各方向 2h | ||||
冲击(耐久) | 500m/s2 X、Y、Z各方向 3次 | ||||
保护结构 *3 | IEC标准 IP50 | ||||
连接方式 | 导线引出型(标准导线长500mm) | ||||
材质 | 外壳 | 铝合金 | |||
本体金属部 | 铝 | ||||
轴 | SUS420J2 | ||||
安装支架 | 铁 镀锌 | ||||

在线留言