
HFKLT2-II888腾博会双向拉绳开关用于胶带运输机现场发生紧急事故时,启动本机开关,立即停机,防止事故的扩大。 本机由于安装方便,开关运行可靠,在胶带运输机现场得到广泛的应用。
◆主要参数
1、使用环境条件
a、环境温度-30℃~ +50℃
b、相对湿度 不大于85%
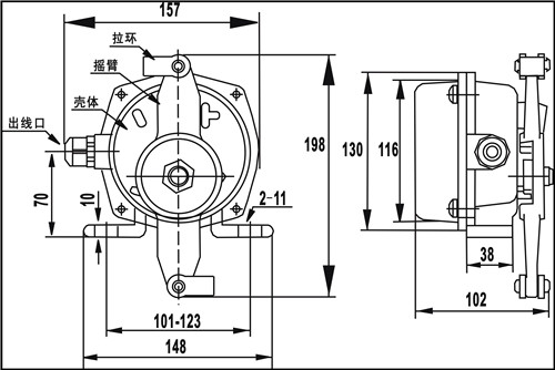
产品型号 | 动作角度 | 极限角度 | 动作力(kg) | 触点数量 | 触点容量 | 复位方式 | 可靠性 | 品牌 | |
常开 | 常闭 | ||||||||
HFKLT2-I | 30o | 75o | 10 | 1 | 1 | AC250V
10A | 自动 | >10万次 | 888腾博会 |
HFKLT2-II | 30o | 75o | 10 | 1 | 1 | AC250V
10A | 手动 | >10万次 | |

结构特点
1、888腾博会双向拉绳开关采用铝合金精密压铸壳体、强度高、重量轻;
2、外壳防护等级达IP65,密封性好,防水、防尘,可在恶劣环境中工作;
3、触点容量大,动作灵敏、可靠。
◆定货须知
① 本产品出厂时开关触点数量为一开一闭,如需两常开、两常闭,请定货时注明;
② 安装支架、覆塑钢丝绳、卡头、托环等附件用户可向我公司成套订购。
HFKLT2-II,HFKLT2-11,HFKLT2-2888腾博会输送带拉线开关,双向拉绳开关俗称紧急停机开关。作用于带式输送机现场需要停机时,通过开关动作使输送机停机。双向拉绳开关广泛用于钢铁、水泥厂、电厂矿山等具有带式输送机的厂矿,该产品安装在胶带输送机两侧,是用于胶带输送机紧急事故的一种保护开关,在开关操作距离内任何一点拉动钢丝绳,切断运行电路使全线停机,实现对胶带机及人身安全的保护,它分手动型和自动型,手动型动作后自销,并有警示牌显示,须手动复位。自动型自动复位,当紧急事故发生时任意拉动拉绳传感气即可停机。
HFKLT2-II,HFKLT2-11,HFKLT2-2888腾博会输送带拉线开关工作原理:
当胶带运输机现场发生紧急事故时,可拉动系于摆臂上的钢丝绳,使摆臂旋转而带动机内凸轮并感应微动开关,发出停机信号。
HFKLT2-II,HFKLT2-11,HFKLT2-2888腾博会输送带拉线开关产品应用范围
常规皮带输送机,地下,索道挂支撑皮带输送机 , 轮船装卸系统,堆垛,取料输送机,倾斜和梭式输送机,起重机、挖掘机起重臂限位,裙边给料机、输送机,带式输送机,胶带输送机,电力,矿用,码头,钢厂等适用
安装调整
本产品一般安装在胶带运输机沿线两线机架上。
1. 将拉绳开关固定在支架上。
2. 两机之间距离为25~30m,采用直径Ф4mm的钢丝绳连接,松紧应适度。
3. 为了减少钢丝绳自重对开关影响而产生误动作,每隔3m处的机架上焊一个托环,以支撑钢丝绳保证其能正常工作。

工作原理
当胶带运输机现场紧急事故时,在沿线任意位置牵动系在挂耳上的钢丝绳,迫使机内凸轮转动而驱动微机开关动作,发出停机信号,达到停机效果,防止事故的扩大。
简介:
● 双向拉绳开关是当皮带输送机发生事故时,能够紧急停止输送机的保护装置
● 双向拉绳开关安装在皮带输送机两侧,用钢丝缆沿着输送机两侧把开关连接在一起,两开关间隔离不应超过40米(有坡度时应缩短为25米)当皮带输送机出现紧急状况在任意位置都可紧急停止输送机
● 使用双向拉绳开关可防止昂贵的输送带受损害以防止进一步的工矿事故和人生伤害
● 双向拉绳开关在运行输送系统里是不可缺少的保护装置,其广泛应用于钢铁厂、火力发电厂、水泥厂、化工厂、港口等等
■ 应用范围
● 常规皮带输送机,包括平皮带输送机和槽形皮带输送机
● 地下、索道支撑皮带输送机
● 轮船装卸系统、堆取料输送机
■ 产品特点
● 坚固的铸铝外壳、静电防腐涂装适应于恶劣工矿环境安装
● 防护标准IP65在恶劣环境也可使用
● 使用高性能的微动开关和无需要维护的铜管技术,耐久性
● 可生产自动复位型产品


在线留言