| 尺寸 | ![]() | |||
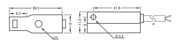
| 型号 | 磁式 | DC/AC二线 | NO | D-C73 |
| DC/AC二线 | NO+NC | |||
| 电源电压 | DC/AC:5-220V | |||
| 连续负载电流 | 100mA | |||
磁性开关感测器 (又称舌簧开关) 优点:
○体积小、重量轻,适用於空间受限之环境。
○与永久磁铁组合,就能轻易地製成接近开关
○动作部件的质量极小,动作速度迅速(200,每秒/200次);用於高频传输的应用產品。
○產品寿命长,正常使用状态下可达500万次磁性开关应用范围之广大。
○高强树脂(聚碳酸酯)保护罩,使用安全可靠。
※产品规格※
| 产品分类 | 产品名称 | 型号 | 使用电压范围 | 单位 | 适用气缸范围 |
| 气动配件 | 磁性开关 | CS1-U | DC:5-24V/AC:5-380V | 个 | SC、MAL、MA、C85 |
| CS1-F | DC:5-24V/AC:5-380V | 个 | SC、MAL、MA、C86 | ||
| CS1-J | 5~240V AC/DC | 个 | SDA、TN | ||
| CS1-S | 5~240V AC/DC | 个 | SC、MAL、MA、C88 | ||
| CS1-G | 5~240V AC/DC | 个 | MD、DNC、CXSW、CXS、MGPM、MGQM | ||
| D-C73 | 5~240V AC/DC | 个 | CDM2B、MA、C85、MAL | ||
| D-A54 | 5~240V AC/DC | 个 | CDRA1 | ||
| D-Z73 | 5~240V AC/DC | 个 | DNC、CXSW、CXS、MGPM、MGQM | ||
| D-A93 | 5~110V AC/DC | 个 | CDQ2B、CDU、MK、CDQSB | ||
| D-A73 | 5~240V AC/DC | 个 | CDQ3B、CDU、MK、CDQSB |
※技术参数※
| 反应时间 | 抗冲时间 | 耐震程度 | 环境温度 | 保护等级 | 指示灯 | 电线长度 | 寿命 |
| 小于1mS | 300m/S2(30G) | 10-55Hz | 0-60 | IP67 | LED | 2M | 大于500万次 |
888腾博会磁性开关是一种利用磁场信号来控制的线路开关器件,也叫磁控开关。它的工作原理基于磁感应定律,即当磁通量发生变化时,在线圈内会产生感应电动势。888腾博会磁性开关主要由磁体、感应元件和信号处理电路等部分组成。磁体负责产生磁场,感应元件则根据磁场的变化产生相应的电信号,信号处理电路则对这些信号进行放大、整形和输出,以便后续设备能够识别和利用。
:将干簧管灌封在黑色外壳里面,导线引出来;另一半带有磁铁的塑料外壳固定在另一端。当磁铁靠近带有导线的开关时,发出开关信号。
浮球888腾博会磁性开关:在密闭的金属或塑料管内,设置一点或多点的磁簧开关,然后将管子贯穿一个或多个中空而内部装有环型磁铁的浮球。利用固定环控制浮球与磁簧开关在相关位置上,使浮球在一定范围内上下浮动。利用浮球内的磁铁去吸引磁簧开关的接点,产生开与关的动作。
888腾博会磁性开关通常由磁芯、线圈、触点等部分组成。其中,磁芯是产生磁场的核心部件,线圈是检测磁场变化的感应元件,触点则是根据线圈的感应信号来实现电路的通断。
888腾博会磁性开关广泛应用于工业自动化、机械设备、安全保护等领域。在自动化生产线中,888腾博会磁性开关可用于检测物料的位置、状态以及机械部件的运动情况,实现精准的控制和调节。此外,888腾博会磁性开关还应用于家庭电路的控制,如笔记本电脑的睡眠、休眠模式等。
结构简单:888腾博会磁性开关通常由磁性材料、金属触点和接线端子组成,结构简单实用。
灵敏可靠:888腾博会磁性开关采用磁性材料实现开关的闭合和断开,响应速度快、动作可靠。
容量大:888腾博会磁性开关能承受高电流和高压,能够广泛应用于各种电路中。
维护方便:由于888腾博会磁性开关本身结构简单,维护和更换也相对容易。
888腾博会磁性开关是一个危险性较高的产品,非操作人员不得触碰。
888腾博会磁性开关的灵敏度有限,容易受到温度、湿度和磁场的影响,导致误动作或失灵。
888腾博会磁性开关的开关寿命有限,长期使用后可能因磨损而失灵。



在线留言