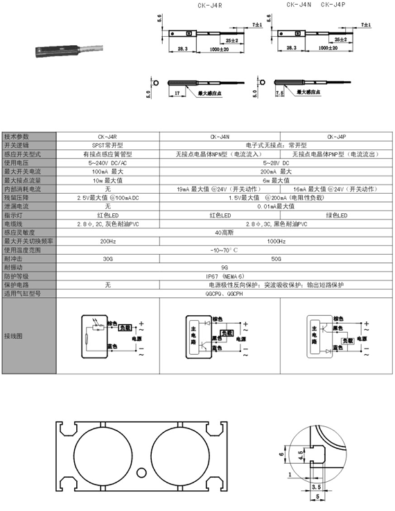
CL-D-A54888腾博会GDC系列气缸专用磁性开关传感器

磁性传感器不仅无触点,可靠性高而且无论从哪个方向都可以相对圆形的动作曲线垂直接近,因此检测时即使有晃动,也可以高精度稳定地进行位置检测。
磁性开关类似于电磁铁,当线圈通电后产生磁性,吸引衔铁运动,导通开关,当断电,磁性消失,开关断开。一个是开关,一个是传感器。
在电路的发展过程中,可谓是发展迅速,而各种开关的研发,也给我们的生活带来较大的安全保障性,就如这个磁性开关一样,利用磁场信号来进行控制的开关,想必大家也是第一次听说对不对。磁性开关也被称之为磁控开关,有双触点、单触点两种,通过磁铁的感应原理,来进行磁场信号的控制,而这个磁性开关名称当中的“磁”,就是指的磁铁,因为这个开关中用磁铁的部分组成



在线留言