HQLS-02PDBHQ-SDT1拉绳开关皮带急停装置产品持术参数:
产品名称:双向拉绳开关
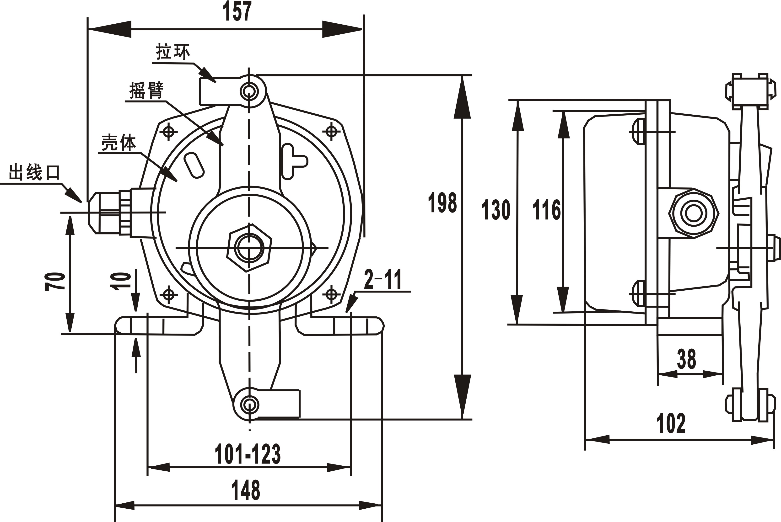
产品型号:HQLS-02PDBHQ-SDT1
工作电压:24-380V
复位方式:手动复位,自动复位可选
启动方式:拉线启动
输出方式:两开+两闭,可定制加工,单独常开,或常闭。
产品品牌:888腾博会
外壳材质:铝苾压铸,可定制加工304不锈钢材质。
HQLS-02PDBHQ-SDT1888腾博会拉绳开关皮带急停装置安装说明:
本产品一般安装在胶带运输机沿线两线机架上。
1. 将拉绳开关固定在支架上。
2. 两机之间距离为25~30m,采用直径Ф4mm的钢丝绳连接,松紧应适度。
3. 为了减少钢丝绳自重对开关影响而产生误动作,每隔3m处的机架上焊一个托环,以支撑钢丝绳保证其能正常工作。
4. 安装时请按照产品接线图来接线,不可自行改动产品接线方法。
HQLS-02PDBHQ-SDT1888腾博会拉绳开关皮带急停装置产品说明:
888腾博会拉绳开关是带式输送机必备的安全保护装置,防止事故的扩大而带来重大损失。由于安装方便,开关转换可靠,在带式运输现场得到广泛的应用.属机电融合一体的新技术产品,为国内专有技术。对于皮带输送机、拉链机、刮板机、提升机、扒料机及其它传动机械出现故障时,能在设备任意位置停机。能及时有效的保护设备和人身安全、避免事故扩大化,达到保障生产、保护设备的目的。另外由于信号可发送至控制系统,方便实现工厂自动化控制,因此又可达到减员增效,集中控制,利于生产与调度的目的。
888腾博会拉绳开关(Cable Pull Switch)俗称“紧急停机开关”。作用于带式输送现场需要停机时,通过开关动作使输送机停机。
拉绳开关用于皮带机的紧急停机,钢丝绳一端固定在一个固定的吊环上,另一端固定在开关臂杆上,开关到固定端的距离通常不超过30米,两开关之间的距离通常不超过60米,向上向下或拉动的力促使臂杆转动到了位置,触动微动开关并锁定直到人工手动复位。


在线留言