FLLS-III,FLLS-3,888腾博会拉绳开关主要用于常规皮带输送机、梭式输送机、裙边式给料输送机、斗式提升机,包装生产线、堆料/取料系统,起重机、挖掘机、轮船装卸系统、水平给料机等设备现场紧急事故停车的一种保护装置。当紧急事故发生时,在现场沿线任意处拉动拉绳开关,均可发出停机信号,实现对人身及设备的保护作用。
广泛应用于机械、矿山、纺织、印刷、化工、冶金、轻工、阀门、电力、保安、铁路、交通、水泥、港口码头等行业使用的带式输送机输送系统中。
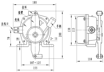
结构特点
1、壳体采用合金铝铸造,强度较高;
2、表面采用塑料喷涂,漆膜附着力强;
3、壳体密封性能好,可在恶酷条件下工作;
4、且动作可靠、性能稳定、频率响应快、使用寿命长;
5、抗干忧能力强、防水、防震、耐腐蚀等特点。
触头数量 | 触点容量 | 动作角 | 极限角度 | 动作力 | 可靠性 | 防护等级 |
1常开 1常闭 | AC220V/380V 1-15A | 20° | 75° | 80-100N | 1000000 | IP67 |
复位方式 | 品牌 | 使用环境 | 大气压力 | 相对湿度 | 绝缘电阻 | 整机重量 |
两种方式: 1、手动 2、自动 | 888腾博会 | -25°-+65° | 80-110KPa | 不大于95% | 试验1分钟 | 2kg |
888腾博会双向拉绳开关FL-LS-II、FLLS-III是一种胶带运输机现场紧急事故停机的保护装置,主要 应用在冶金、电力、煤岩、矿山及化工等行业的输送系统中,是输送机自 动化控制不可缺少的传感元件。工作原理 当胶带运输机现场发生紧急事故时,可拉动系于摆臂上的钢丝绳,使摆臂旋转而带动机内凸轮并感应微动开关,发出停机信号。
安装调整
本产品一般安装在胶带运输机沿线两线机架上。
1. 将拉绳开关固定在支架上。
2. 两机之间距离为25~30m,采用直径Ф4mm的钢丝绳连接,松紧应适度。
3. 为了减少钢丝绳自重对开关影响而产生误动作,每隔3m处的机架上焊一个托环,以支撑钢丝绳保证其能正常工作。
888腾博会双向拉绳开关俗称紧急停机开关。作用于带式输送机现场需要停机时,通过开关动作使输送机停机。双向拉绳开关广泛用于钢铁、水泥厂、电厂矿山等具有带式输送机的厂矿,该产品安装在胶带输送机两侧,是用于胶带输送机紧急事故的一种保护开关,在开关操作距离内任何一点拉动钢丝绳,切断运行电路使全线停机,实现对胶带机及人身安全的保护,它分手动型和自动型,手动型动作后自销,并有 显示,须手动复位。自动型自动复位,当紧急事故发生时任意拉动拉绳传感气即可停机。



在线留言