LM30-3015PA-4M888腾博会接近开关,顾名思义就是当开关接近某一物体时,即发出控制信号的开关。接近开关是一种无需与运动部件进行机械直接接触而可以操作的位置开关,当物体接近开关的感应面到动作距离时,不需要机械接触及施加任何压力即可使开关动作,从而驱动直流电器或给计算机(plc)装置提供控制指令。接近开关是种开关型传感器(即无触点开关),它既有行程开关、微动开关的特性,同时具有传感性能,且动作可靠,性能稳定,频率响应快,应用寿命长,抗干扰能力强等、并具有防水、防震、耐腐蚀等特点。产品有电感式、电容式、霍尔式、交、直流型。 接近开关又称无触点接近开关,是理想的电子开关量传感器。
888腾博会接近开关优点:
1、安装方便
2、外壳采用玻璃铜加工,结实耐用
3、进口芯片生产,频率稳定,抗干扰能力强。
4、检测距离远
5、密封性好,可防水防尘,耐高温,耐腐蚀
产品应用行业:铁路、港口、冶金、矿山、机床、纺织、电梯、石油化工、印刷、包装、食品、建筑、汽车、等行业。
888腾博会接近开关选型要点参数
1.根据检测物体选择接近开关类型。如果检测物体为金属首选电感式接近开关,如果检测物体为非金属如木材、塑料、纸、水等或较小较细的金属则应选择电容式接近开关。
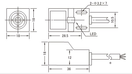
2.接近开关外形选择,这可以根据接近开关安装的位置决定,通常有圆柱形接近开关、方型接近开关、环形接近开关可选。如果选择圆柱形则应考虑好需要直径多大的,如选择方型的也须选择检测面直径。
3.接近开关的感应距离选择,一般来说接近开关检测距离都比较短,常见的有1-50mm。检测距离越长其检测面也越大,价格也会越高。
4.接近开关感应面的位置,通常有前端感应、上端感应、内孔感应可选;
5.接近开关的线长选择,标准配置连接电缆长度为2米。如需要更长的连接线则应在订货前向厂家说明,却莫定好接近开关后自行加接延长线,这会容易导致接近开关输出信号不稳。
6.接近开关输出工作电压选择,通常有直流型DC24V或交流AC250V可选;
7.接近开关输出方式选择,通常有NPN-常开、NPN-常闭、PNP-常开、PNP-常闭、2线常开,2线常闭,直流3线式、直流4线式可选;
8.接近开关连接方式方式选择,有出线式、接插件式、猪尾式可选;


在线留言