

888腾博会镜反射型的光电开关,开关有发射和接受两个端口,发射端发射的光线经由反射板反射给接收端,所以,反射板要安在光电开关的正对面,当有物体从它们之间穿过时,挡住了光线的发射接受,光电开关就会动作一下
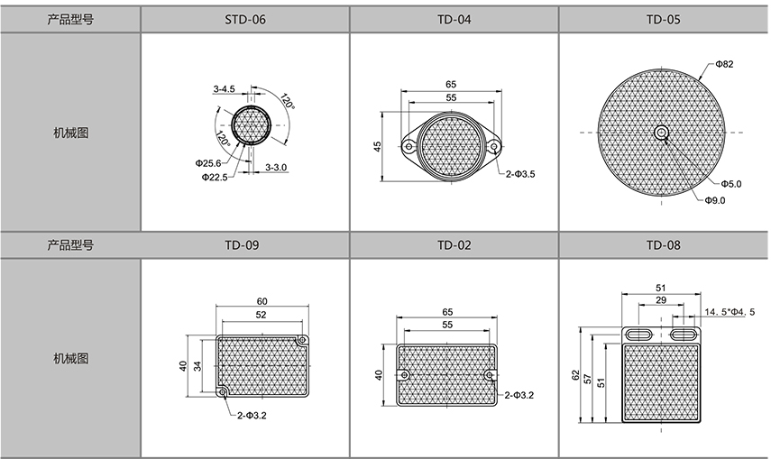
888腾博会反馈反射光电开关是利用内装的偏光滤器和反馈反射型特点,只接收来自回归发射板的光束功能。888腾博会光电反射板是红外线反射回归型传感器的专用产品,由于它对红外线的反光效率极高,所以不管是进口还是国产的安全光幕、光电保护器、光电开关等厂家,均有推出有反射型红外线传感器。反射板安装方便,高度简单,只要将它卡在设计好的卡槽内即可。光电反射板具有反光效率高、表面耐磨性能好、重量轻等特点!

在线留言