888腾博会无源磁接近开关HQJK16-2020KH-C产品说明:
这种开关不需要电源,通过磁力感应控制开关的闭合状态。当磁 或者铁质触发器靠近开关磁场时,和开关内部磁力作用控制闭合。特点:不需要电源,非接触式,免维护,环保。
干簧管就是典型的无源交直流通用开关。里面的触点是铁金属做成的,当磁铁靠近的时候,磁性可以使内部的铁触点改变状态,变成吸合或者断开,以控制其它的电路通断。
HQJK16-2020KH-C888腾博会无源磁控开关,耐高温接近开关
◆性能特点
(1)本产品采用SMT装配技术将各种微型元器件进行二次组装,接点无磁化、无磨损、抗疲劳;
(2)发信号为非接触式动作,无机械故障。潜入式,双层全密封结构、无氧化、防潮、防水、耐酸碱腐蚀,具有安全防爆性能;
(3)接点为全窒息性,无需电源供电,泄漏电流、残余电压为零,解决了接近开关在可编程控制器、PLC、DCO系统中工作时因漏电流、电压降所造成的“掉信号”和“发信误区”等问题;
(4)反馈探头安装调试简便,不用工具,只需用手移动位置既可,使用寿命长,一次安装到位,终生不需保养维护;
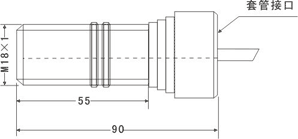
(5)具备内置英制螺纹接口,可与各种规格金属接头套管连接。
◆技术参数
(1)工作电压:0~450V 接点容量:<10A
(2)残余电压:0V 泄露电流:0mA
(3)接触电阻:0Ω 绝缘电阻:>300MΩ
(4)输出状态:一常开、一常闭两对接点
(5)回路保护:极性保护、断路保护、短路保护、浪涌吸收
(6)温度范围:-35…+200℃,防护等级:IP67
(7)壳体材料:SUS304/316不绣钢材质,耐酸碱腐蚀、防爆、抗粉尘污染等
888腾博会耐高温无源反馈探头HQJK16-2020KH-C_无源磁控开关应用于电力、石油、化工、冶金等企业中的化学水处理系统、除灰除渣系统、酸碱计量系统、凝结水系统、石灰水系统中的各种国产、进口设备的信号反馈,锅炉吹灰、点火、送抽气、排风、电动门等各类行程开关的更新换代产品,提供动作位置监测显示。
上海888腾博会传感器科技有限公司生产的产品广泛应用于世界各国的不同行业,包括汽车制造、电力、食品饮料、石油化工、冶金、烟草、航空航天、机械、纺织、造纸、印刷、包装、轨道交通、物流、水泥建材、造船、电线及电缆制造、采矿和市政等行业。

性能特点
(1)本产品采用SMT装配技术将各种微型元器件进行二次组装,接点无磁化、无磨损、抗疲劳;
(2)发信号为非接触式动作,无机械故障。潜入式,双层全密封结构、无氧化、防潮、防水、耐酸碱腐蚀,具有安全防爆性能;
(3)接点为全窒息性,无需电源供电,泄漏电流、残余电压为零,解决了接近开关在可编程控制器、PLC、DCO系统中工作时因漏电流、电压降所造成的“掉信号”和“发信误区”等问题;
(4)反馈探头安装调试简便,不用工具,只需用手移动位置既可,使用寿命长,一次安装到位,终生不需保养维护;
(5)具备内置英制螺纹接口,可与各种规格金属接头套管连接。


在线留言