

磁性接近开关是接近开关的一种,接近开关是传感器家族中众多种类中的一个,它是利用电磁工作原理,用先进的工艺制成的,是一种位置传感器。它能通过传感器与物体之间的位置关系变化,将非电量或电磁量转化为所希望的电信号,从而达到控制的目的。
磁性开关是一种利用磁场信号来控制的线路开关,常用的磁性开关有单触点和双触点两种。磁性开关的原理是通过磁铁来感应,在运行过程中当磁性开关检测到气缸磁性时将信号传送。磁性开关只有在气缸具备磁环的情况下才是具备实际的使用价值,其功能是通过检测运行过程中活塞上面的磁环用来确定电磁工作通与断的信号检测元件,气缸常用的磁为橡胶磁为主。



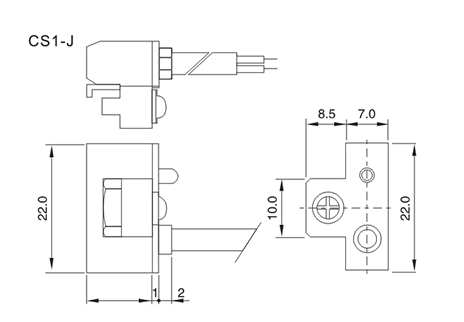
示例 :
欲订购与标准气缸(拉杆式)配套,型式为向上型的磁感应开关,其正确的订购码代号为: CS1-U。



在线留言