优势特点:MGW7C运动平稳性是指导轨在低速运动或微量移动时不出现爬行现象的性能。平稳性与导轨的结构、导轨副材料的匹配、润滑状况、润滑剂性质及导轨运动之传动系统的刚度等因素有关。
微小型导轨滑块MGW7C特点:
1、体积小、轻量化,特别适合小型化设备使用。
2、不锈钢材质之直线导轨,包含滑块、滑轨及其它金属配件如保持器等,皆使用不锈钢材质,具备防锈的特性。
3、采用哥德型四点接触设计,可承受各方向负荷,具备刚性强,精度高等特性。
4、有钢珠保持器设计,在精度允许下具备互换性。

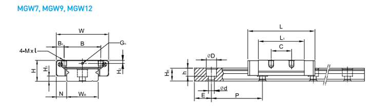
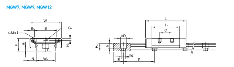
| 组件尺寸 | H | 9 | mm |
| H1 | 1.9 | mm | |
| N | 5.5 | mm | |
| 滑块尺寸 | W | 25 | mm |
| B | 19 | mm | |
| B1 | 3 | mm | |
| C | 10 | mm | |
| L1 | 21 | mm | |
| L | 31.2 | mm | |
| G | mm | ||
| Gn | Φ1.2 | mm | |
| Mxl | M3x3 | mm | |
| H2 | 1.85 | mm | |
| 导轨尺寸 | WR | 14 | mm |
| WB | - | mm | |
| HR | 5.2 | mm | |
| D | 6 | mm | |
| h | 3.2 | mm | |
| d | 3.5 | mm | |
| P | 30 | mm | |
| E | 10 | mm | |
| 导轨的固定螺栓尺寸 | 导轨的固定螺栓尺寸 | M3x6 | mm |
| 基本额定负荷 | 动负荷C | 1.37 | kN |
| 静负荷C0 | 2.06 | kN | |
| 容许静力矩 | MR | 15.7 | kN-m |
| Mp | 7.14 | kN-m | |
| My | 7.14 | kN-m | |
| 重量 | 滑块 | 0.02 | kg |
| 导轨 | 0.51 | kg/m |

1,加宽滑轨之设计大幅提升力矩负荷能力,可单轴使用。
2,四点接触设计,可承受各种方向之负荷并具有高刚性之选特点。
3,滑块有微小型保持钢珠,取下滑块钢珠也不会说落。
4,滑轨,滑块及所有金属配件均采用不锈钢材质,具抗腐触之特性。
导轨安装
1:保证底座安装基准面和侧面基准面(无侧面基准也可以)的平面度、直线度。基座对接后的高低差越小越好。
2:将导轨固定在基座上时按顺序拧紧安装螺钉(先别完全锁紧),确保接缝处缝隙较小(视规格大小在0.05~0.5之间较为适宜),上下和左右侧向无错位。再完全锁紧安装螺钉。
3:以安装好的第yi支导轨为基准,打表安装第二支轨,确保两根轨的平行度。
注意,别磕坏导轨对接端面(也禁止倒角),否则会导致滑块运行不平顺。
MGW7C微型滑块,而用滚动钢球。因为滚动钢球适应于高速运动、摩擦系数小、灵敏度高,满足运动部件的工作要求,如机床的刀架,MGW7C微型滑块,拖板等。直线导轨系统的固定元件(导轨)的基本功能如同轴承环,安装钢球的支架,MGW7C微型滑块,形状为“v”字形。支架包裹着导轨的顶部和两侧面。为了支撑机床的工作部件,一套直线导轨至少有四个支架。用于支撑大型的工作部件,支架的数量可以多于四个。



在线留言