
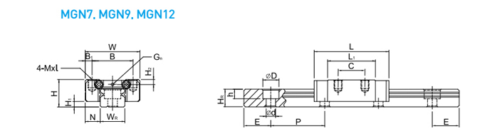
| 组件尺寸 | H | 10 | mm |
| H1 | 2 | mm | |
| N | 5.5 | mm | |
| 滑块尺寸 | W | 20 | mm |
| B | 15 | mm | |
| B1 | 2.5 | mm | |
| C | 10 | mm | |
| L1 | 18.9 | mm | |
| L | 28.9 | mm | |
| G | mm | ||
| Gn | Φ1.4 | mm | |
| Mxl | M3x3 | mm | |
| H2 | 1.8 | mm | |
| 导轨尺寸 | WR | 9 | mm |
| HR | 6.5 | mm | |
| D | 6 | mm | |
| h | 3.5 | mm | |
| d | 3.5 | mm | |
| P | 20 | mm | |
| E | 7.5 | mm | |
| 导轨的固定螺栓尺寸 | 导轨的固定螺栓尺寸 | M3x8 | mm |
| 基本额定负荷 | 动负荷C | 1.86 | kN |
| 静负荷C0 | 2.55 | kN | |
| 容许静力矩 | MR | 11.76 | kN-m |
| Mp | 7.35 | kN-m | |
| My | 7.35 | kN-m | |
| 重量 | 滑块 | 0.016 | kg |
| 导轨 | 0.38 | kg/m |
直线导轨系列:
1. 加宽导轨之设计大幅提升力矩负荷能力,可单轴使用。
2. 哥德型四点接触设计,可承受各种方向之负荷并具有高刚性之特点。
3. 滑块装有微小型保持钢丝,取下滑块钢珠也不会脱落。
4. 导轨、滑块及所有金属配件均采用不锈钢材质,具抗腐蚀之特性。
直线导轨滑块、滚珠丝杆等产品广泛应用于风力发电,太阳能设备、新能源设备、机器人,机械手臂、注塑机械、包装机械等,所有需求精密传动控制及定位的领域。
导轨又称滑轨、线性导轨、线性滑轨。直线导轨运动的作用是用来支撑和引导运动部件,按给定的方向做往复直线运动。直线导轨用于需要控制工作台行走平行度的直线往复运动场合,拥有比直线轴承更高的额定负载,可以承担一定的扭矩,可在高负载的情况下实现高精度的直线运动。
导轨又称滑轨、线性导轨、线性滑轨。滚动直线导轨大大地提高了机床生产效率,在它有效寿命期间,机床维修率下降了,能够连续运行。采用滚动直线导轨的机床振动模型与无阻尼受迫振动相似,可以用动量守恒与能量守恒定律来近似求解:式中:m—运动部件的质量;M—机床本体的质量;k—机床的静刚性;v—运动部件快速进退速度;Amax—机床大振幅。由上式能够看出,减小m和增大M、增加k都可以减小机床的大振幅Amax,而增大机床本体重量的方法通常较少,因为增大机床本体M会降低机床的固有频率,导致机床共振频率偏低,对消除谐振不利,所以单纯的想用增加壁厚的办法来提高机床的刚性,对提高机床的抗振性能是毫无帮助的。




在线留言