NAMUR信号为世界上应用最广泛的本质安全的数字量输入和频率量输入的标准信号。其最早为德国标准( DIN19234 )。
NAMUR信号为世界上应用最广泛的本质安全的数字量输入和频率量输入的标准信号,其最早为德国标准(DIN19234),后成为欧洲标准(EN50227,DINEN60947-5-6)。NAMUR信号为无源2线制,标称8VDC供电,1mA和3mA开关信号。
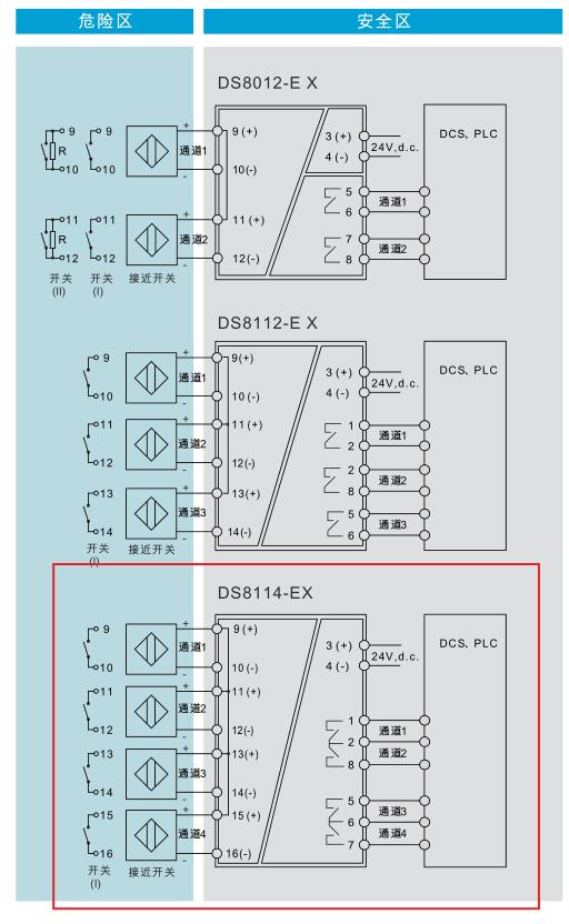
NAMUR型传感器均为本质安全防爆仪表,通常与隔离式安全栅配合使用。由隔离栅给传感器提供8VDC电源,并检测其电流信号。检测点通常为≤1.2mA和≥2.1mA,隔离栅将此开关信号转换为继电器信号,有源或无源的0-24V晶体管开关信号。
MAMUR接近开关和安全栅连接

NAMUR接近开关介绍
上一篇:AN-11R
下一篇: GH1-307MA_888腾博会

在线留言